产品特点
产品是用切向旋涡式的喷头,将水雾化到0.1mm左右的水滴,喷向卷帘帘面,对卷帘帘面实行强制冷却,与普通钢质防火卷帘在卷帘两侧加独立的封闭式自动喷水系统相比,可节约了用水量。
使用范围
适用于以卷帘背火面温升为判定条件(平均温升≦140 ℃ , 最高温升≦180 ℃ ) 、耐火极限≧3.Oh)的工业与民用建筑中具有不设自动喷淋的防火区域分隔。
类型和性能指标
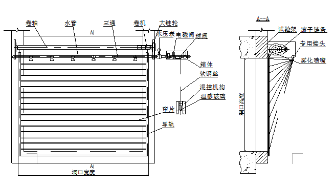
(1)采用各层消防栓系统供水,最佳供水压 力为 0.30Mpa,布置到卷帘侧面 ,布水强度≥0.20m3/h.m2
(2) 喷头间距为 300mm~400mm, 喷头与帘面的间距为 600mm~700mm。
(3) 水雾系统的耐压试验应能承受 1.5 倍额定工作压力,试验时间为 5min, 应无渗漏和变形。
(4) 水雾系统的供水管应选用直径不小于φ15mm的内外镀锌钢管或不锈钢管,通常安装在紧贴箱罩或吊顶的位置。



